開關電源電路詳解
一、開關電源基本原理
開關電源是一種高效的電源轉換設備,其核心工作原理是借助開關管的快速導通與截止動作,將輸入的直流或交流電壓轉換為高頻脈沖信號。此高頻脈沖信號經變壓器或電感器進行電壓變換,隨后通過濾波電路處理,最終輸出穩定直流電壓,以滿足不同電子設備對電源的特定需求,可靈活調整輸出電壓并確保其穩定。
二、開關電源主要電路構成
開關電源主要電路由多個關鍵部分組成:
輸入電磁干擾濾波器(EMI) :用于抑制輸入電源中的電磁噪聲及雜波信號,防止其對電源內部電路產生干擾,同時避免電源自身產生的高頻雜波回饋至電網,對其他設備造成干擾。
整流濾波電路 :將交流電壓整流為直流電壓,并通過濾波電容進一步平滑,以獲得較為純凈的直流電,為后續的功率變換提供穩定的輸入。
功率變換電路 :在 PWM 控制器的調控下,開關管(通常為 MOSFET 管)以高頻開關的方式工作,將輸入的直流電壓轉換為高頻交流電壓,經變壓器或電感器進行電壓升降變換,實現電能的有效傳遞與轉換。
PWM 控制器電路 :作為開關電源的控制核心,PWM 控制器依據輸出電壓和電流的反饋信息,實時調整開關管的占空比,從而精確控制輸出電壓和電流的大小,確保其穩定在設定范圍內。
輸出整流濾波電路 :對功率變換電路輸出的高頻交流電壓進行整流和濾波,將其轉換為平滑穩定的直流電壓,以滿足負載設備的供電要求。
此外,開關電源還配備有多種輔助保護電路,如輸入過欠壓保護電路、輸出過欠壓保護電路、輸出過流保護電路、輸出短路保護電路等,這些保護電路能夠在電源出現異常情況時及時動作,保護電源和負載設備免受損害,提高整個電源系統的可靠性和安全性。
三、開關電源分類方式
根據不同的分類標準,開關電源可分為多種類型:
(一)按輸入電源類型分類
AC-DC 開關電源 :將交流電轉換為直流電,廣泛應用于各類需要將市電轉換為直流電源的電子設備,如計算機電源、通信設備電源等。
DC-DC 開關電源 :將一種直流電壓轉換為另一種直流電壓,常用于電動汽車、太陽能系統等直流電源系統中,對不同負載設備進行供電。
(二)按工作方式分類
單端開關電源 :僅使用一個開關管,電路結構相對簡單,成本較低,適用于低功率應用場合,如小型電子設備、手持終端等。
雙端開關電源 :采用兩個開關管,能夠提供更高的功率輸出和轉換效率,適用于高功率應用,如服務器電源、工業電源等。
(三)按拓撲結構分類
常見的拓撲結構有:
Buck(降壓)電路 :輸出電壓低于輸入電壓,具有電路簡單、效率高的特點,常用于 Step-down 電源轉換。
Boost(升壓)電路 :輸出電壓高于輸入電壓,適用于需要將低電壓升為高電壓的場合,如 LED 驅動電源。
Buck-Boost(降壓 - 升壓)電路 :輸出電壓可以高于或低于輸入電壓,能夠在較寬的輸入電壓范圍內工作,但電路相對復雜。
Flyback(反激)電路 :利用變壓器的耦合電感儲存和傳遞能量,電路結構緊湊,成本較低,廣泛應用于中小功率電源,如適配器電源、車載充電器等。
Forward(正激)電路 :輸出功率較高,適用于中大功率電源,但電路需要增加續流二極管等元件,設計相對復雜。
Push-Pull(推挽)電路 :采用兩個開關管交替導通,能夠提供較大的輸出功率,適用于高功率密度電源,但對變壓器的要求較高。
Half Bridge(半橋)電路 :由兩個開關管和一個中點電容組成,能夠有效降低開關管承受的電壓應力,適用于中大功率電源。
Full Bridge(全橋)電路 :使用四個開關管,能夠提供最高的功率輸出和轉換效率,適用于超高功率電源,但電路復雜,成本較高。
這些分類方式僅涵蓋了開關電源的一部分類型,實際應用中還可根據特定要求和應用場景進行更細致的分類,以滿足不同設備的電源需求。
四、輸入電路原理


(一)防雷電路
當電網遭受雷擊時,會產生高壓沖擊波,經電網傳導至電源輸入端。由 MOV1、MOV2、MOV3 以及 F1、F2、F3、FDG1 組成的防雷保護電路能夠迅速響應。當壓敏電阻兩端電壓超過其標稱工作電壓時,其電阻值會急劇降低,將大量的高壓能量消耗在自身之上,從而保護后級電路免受雷擊過電壓的損害。若雷擊電流過大,F1、F2、F3 保險絲會熔斷,進一步切斷電路,確保整個電源系統安全。
(二)輸入濾波電路
由 C1、L1、C2、C3 組成的雙 π 型濾波網絡主要功能是對輸入電源中的電磁噪聲及雜波信號進行有效抑制。一方面防止電網中的干擾信號進入電源內部,影響電源的正常工作;另一方面避免電源自身產生的高頻雜波反饋至電網,對其他用電設備造成干擾。在電源開啟瞬間,會對 C5 進行充電,由于瞬間電流較大,加入 RT1(負溫度系數熱敏電阻)能夠有效限制浪涌電流。在電源啟動初期,RT1 的阻值較大,能夠消耗掉大部分瞬時能量,隨著溫度升高,RT1 的阻值逐漸減小,最后其消耗能量非常小,確保后級電路能夠正常工作。
(三)整流濾波電路
交流電壓經 BRG1 整流橋整流后,得到脈動直流電壓,再經 C5 濾波電容濾波,可平滑脈動波形,得到較為純凈的直流電壓。若 C5 容量減小,輸出的交流紋波含量將增加,影響電源輸出質量。
五、功率變換電路原理


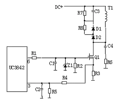
(一)緩沖器電路
由 R4、C3、R5、R6、C4、D1、D2 組成的緩沖器電路與開關 MOS 管并聯連接。其主要作用是減少開關管在開關過程中所承受的電壓應力,降低電磁干擾(EMI),同時防止開關管發生二次擊穿現象。在開關管 Q1 關斷瞬間,變壓器原邊線圈會產生尖峰電壓和尖峰電流,這些緩沖元件能夠有效地吸收尖峰能量,保護開關管免受損壞。此外,從 R3 測得的電流峰值信號參與當前工作周波的占空比控制,實現對開關管的電流限制,確保開關管在安全的工作電流范圍內工作。
(二)開關管控制電路
當 R5 上的電壓達到 1V 時,UC3842 PWM 控制器停止工作,立即關斷開關管 Q1,實現對開關管的過流保護。R1 與 Q1 中的結電容 CGS、CGD 共同組成 RC 網絡,電容的充放電過程直接影響開關管的開關速度。若 R1 阻值過小,容易引起電路振蕩,同時產生較大的電磁干擾;若 R1 阻值過大,則會降低開關管的開關速度,影響電源的轉換效率。Z1 通常將 MOS 管的 GS 電壓限制在 18V 以下,從而保護 MOS 管免受過高的柵源電壓損壞。
Q1 的柵極受控電壓為鋸齒波信號,鋸齒波的占空比決定了 Q1 的導通時間。占空比越大,Q1 導通時間越長,變壓器儲存的能量也就越多。當 Q1 截止時,變壓器通過 D1、D2、R5、R4、C3 等元件釋放能量,同時實現磁場復位,為下一次能量存儲和傳遞做好準備。PWM 控制器 IC 根據輸出電壓和電流的實時反饋信息,時刻調整其輸出的鋸齒波占空比,從而精確控制輸出電流和電壓的大小,確保整個電源系統的輸出穩定。C4 和 R6 構成尖峰電壓吸收回路,進一步保護電路免受尖峰電壓的危害。
六、正激式開關電源


正激式開關電源具有較為復雜的電路結構,但能提供較高的輸出功率,通常適用于 100W-300W 的開關電源應用場合,尤其在低壓、大電流的開關電源領域應用廣泛。在正激式開關電源中,當開關管接通時,輸出變壓器充當介質,直接耦合磁場能量,實現電能與磁能的相互轉化,使輸入和輸出過程同步進行。
然而,正激式開關電源也存在一些不足之處。例如,為了防止變壓器初級線圈產生的反電動勢擊穿開關管,需要增加反電動勢繞組;同時,在次級側還需額外增加一個電感進行儲能濾波,這使得其成本相對較高,且變壓器的體積較大,不利于電源的小型化設計。
七、反激式開關電源


反激式開關電源采用反激高頻變壓器隔離輸入輸出回路,其變壓器不僅起到變換電壓和傳輸能量的作用,還兼具儲能電感的功能,因此反激式變壓器的設計類似于電感。反激式開關電源電路結構相對簡單,控制較為容易,在 5W-100W 的小功率應用領域非常廣泛。
在反激式開關電源的工作過程中,當開關管導通時,變壓器原邊電感電流上升。由于反激電路輸出線圈同名端相反,輸出二極管處于截止狀態,此時變壓器儲存能量,負載所需的能量由輸出電容提供。當開關管截止時,變壓器原邊電感感應電壓反向,輸出二極管導通,變壓器儲存的能量通過二極管向負載釋放,同時對電容進行充電,補充電容在開關管導通期間消耗的電能。
通過對比正激式和反激式開關電源可以發現,正激式變壓器主要側重于變壓功能,整個電路可以看作是一個帶有變壓器的 Buck 電路;而反激式變壓器則兼具變壓和儲能功能,其電路特性更接近于一個 Buck-Boost 電路。
〈烜芯微/XXW〉專業制造二極管,三極管,MOS管,橋堆等,20年,工廠直銷省20%,上萬家電路電器生產企業選用,專業的工程師幫您穩定好每一批產品,如果您有遇到什么需要幫助解決的,可以直接聯系下方的聯系號碼或加QQ/微信,由我們的銷售經理給您精準的報價以及產品介紹
聯系號碼:18923864027(同微信)
QQ:709211280

