功率因數校正詳解,功率因數校正電路介紹
一、功率因數基礎
一、功率因數基礎
功率因數被明確定義為設備傳輸至輸出端的能量與從輸入電源獲取的總能量之比。聚焦于整流電路,為提升輸出直流的平滑性,輸出端通常并聯濾波電容。然而,此類濾波電容的接入會導致交流輸入電壓與輸入電流間出現相位偏移。基于功率因數的定義 —— 有效功率與視在功率的比值,且當 AC 電壓和電流間的相位差為 φ 時,功率因數(PF)=cosφ。低功率因數不利于電路效率,因此提升 PF 成為關鍵訴求。但整流電路中,僅當 AC 電壓高于濾波電容兩端電壓 Vc 時才有輸入電流,這一特性致使 AC 電流波形偏離正弦,對功率因數造成嚴重影響。為矯正 AC 電流波形,使其盡量復歸正弦形態,功率因數校正(PFC)電路應運而生。
二、功率因數低的主要成因
(一)位移
當電路中電壓和電流波形呈現異相狀態時,位移現象隨之產生,這通常與電路中的電感或電容等電抗元件密切相關。
(二)失真
波形的原始輪廓若發生畸變,即為失真,一般由整流器等非線性電路引發。此類非線性波蘊含豐富的諧波成分,進而導致電網電壓失真。
三、功率因數校正(PFC)策略
PFC 著力于提升設備功率因數,依據校正對象差異,采用不同方法。
(一)位移問題解決
常規做法是引入外部無功元件,對電路總無功功率實施補償,以此化解位移問題。
(二)失真問題解決
無源功率因數校正(PFC) :借由無源濾波器濾除諧波,達成提升功率因數的目標。此方法在低功率場景應用較廣,但在高功率場景下,其校正效果難以令人滿意。
有源功率因數校正(PFC) :倚仗開關變換器對失真波進行調制,重塑其為正弦波。重塑后的信號中,諧波僅存在于開關頻率處,便于后續濾除。盡管有源 PFC 是當下最優的功率因數校正手段,但卻提升了設計復雜度。
四、功率因數校正電路應用實例分享
(一)MPS 推出的 MP44010 控制器
MP44010 作為 BCM 功率因數校正器,與升壓變換器配合使用時,其 ZCS 引腳肩負起檢測電感放電時刻并激活 MOSFET(如圖中 Q1)的重任。此外,該器件還可對電流和電壓實施比較操作,并依此調整電流峰值,使其契合輸入電壓波形,實現精準校正。


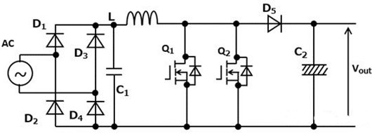
(二)MOSFET 并聯型 PFC(PFC with parallel MOSFETs)
在應對大電源輸入場景時,采用多個 MOSFET 并聯的策略,可巧妙分流電流,進而降低開關損耗。不過,為保障并聯效益,務必確保每個 MOSFET 的電氣特性和驅動條件高度一致,這對電路設計與元件選型提出了更為嚴苛的要求,旨在實現高效、穩定的功率傳輸,優化功率因數表現。


功率因數的提升對于電路的高效運行及能源的合理利用至關重要。深入理解功率因數的定義、成因以及 PFC 技術的原理與應用,能夠為相關領域工程師提供堅實的技術支撐,助力設計出性能卓越的電力電子設備。
〈烜芯微/XXW〉專業制造二極管,三極管,MOS管,橋堆等,20年,工廠直銷省20%,上萬家電路電器生產企業選用,專業的工程師幫您穩定好每一批產品,如果您有遇到什么需要幫助解決的,可以直接聯系下方的聯系號碼或加QQ/微信,由我們的銷售經理給您精準的報價以及產品介紹
聯系號碼:18923864027(同微信)
QQ:709211280

