多用電裝置都由適配器通過一段比較長的電源線供電,在用電裝置一端有電源濾波電容。隨著產品向小型化,便攜化方向發展,陶瓷電容在電源濾波中得到了非常廣泛的應用。但是這樣的系統在輸入電壓上電瞬間或者輸入電壓有突變的時候,可能會產生問題。圖一說明了這個問題:


圖一 輸入濾波電容引起問題電路 在圖一中, C1為電源適配器的輸出電容,電感Le是電源線的等效電感;電容C2是用電裝置的輸入濾波電容。開關K可以是用電裝置的開關或者電源插頭等。在輸入電壓上電瞬間或者輸入電壓有突變時產生的問題同上電順序有關系。如果適配器先接通電源,開關K斷開,那么電容C1就先被充電。在開關K接通瞬間,電容C1就會以比較大的電流通過電感Le向電容C2充電,能量存儲在電感Le中,當充電結束以后,電感電流變小或變成零,根據電感的電流、電壓特性,此時在圖一中的A點就會產生一個很高的瞬態電壓,這個瞬態高壓可能會損壞用電設備中的某些電路。
在上電時,如果先接通開關K,再接通適配器電源,那么就可能沒有問題。可以利用以下三個方案之一解決上述問題。
1、 在圖一中C2的電容可以使用一個電解電容,因為電解電容有比較大的串聯等效阻抗(ESR),限制了上電瞬間電感Le的電流,從而也抑制了在A點產生的瞬態電壓。如圖二所示。


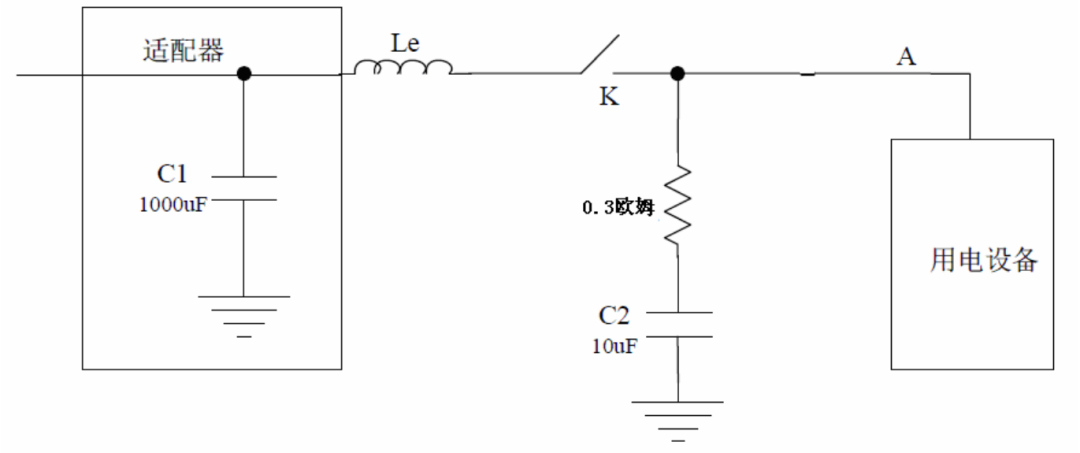
圖二 C2使用電解電容電路 2、 在圖一中,如果C2必須使用陶瓷電容,可以同電容串聯一個0.3歐的電阻。如圖三所示。


圖三 陶瓷電容串聯一個電阻電路 3、 在圖一中,同電容C2并聯一個瞬態電壓抑制器( TVS),對產生的瞬態高壓加以抑制。TVS的擊穿電壓應該小于用電裝置能夠承受的最大電壓。如圖四所示。


圖四 并聯一個瞬態電壓抑制器電路
〈烜芯微/XXW〉專業制造二極管,三極管,MOS管,橋堆等,20年,工廠直銷省20%,上萬家電路電器生產企業選用,專業的工程師幫您穩定好每一批產品,如果您有遇到什么需要幫助解決的,可以直接聯系下方的聯系號碼或加QQ/微信,由我們的銷售經理給您精準的報價以及產品介紹
聯系號碼:18923864027(同微信)
QQ:709211280

