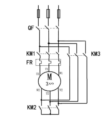
星三角啟動電路圖一
星三角啟動電路圖的主回路圖:


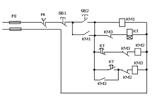
星三角啟動電路圖的二次回路控制圖:


按下SB2--KM1吸合--KM1常開閉合,KM1自保持,
KM2吸合開始星形啟動,時間繼電器KT得電延時--延時到KT常閉使KM2斷電釋放,星形啟動停止--電流經KT常開,KM2常閉使KM3吸合,線圈KM3常開使KM3自保持,開始角形運轉--KM3常閉斷開KT電源。按SB1可停止電機運轉。
注:時間繼電器設定的時間要根據具本情況設定,一般是當電機起到的時間到起動后電流降到額定電流之間的時間決定。
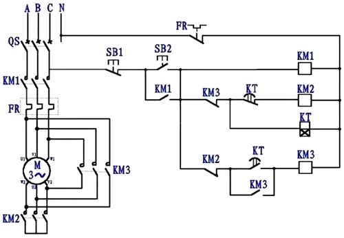
星三角啟動電路圖二
電動機星三角降壓啟動電路圖:


圖為星三角降壓啟動電路圖,QS為斷路器,KM1主接觸器,KM2星形連接接觸器,KM3角形連接接觸器,FR熱繼電器,KT時間繼電器(通電延時型),SB1停止按鈕,SB2啟動按鈕。
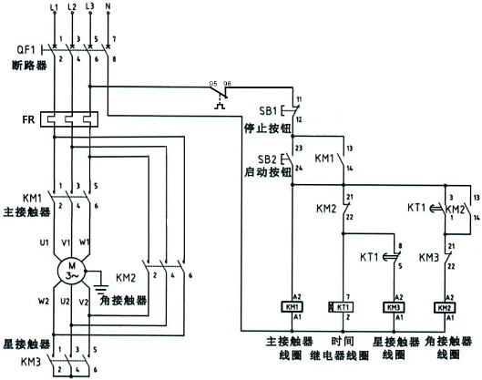
星三角啟動電路圖三
星三角降壓啟動電路圖:


啟動時按下啟動按鈕SB2,交流接觸器KM線圈回路通電吸合并通過自己的輔助常開觸點自鎖,其主觸頭閉合接通電動機三相電源,時間繼電器KT1線圈也通電吸合并開始計時,交流接觸器KM3線圈通過時間繼電器的延時斷開接點通電吸合,KM3的主觸頭閉合將電動機的尾端連接,電動機定子繞組成Y形連接,
這時電動機在Y形接法下降壓啟動當時間繼電器KT1整定時間到時后,其延時斷開觸點打開,交流接觸器KM3線圈回路斷電,主觸點打開定子繞組尾端的接線,KM3的輔助常閉觸點閉合為KM2線圈的通電做好準備。
同時時間繼電器K1的延時閉合觸點閉合,接通KM線圈回路,使得KM2通電吸合并通過自己的輔助常開觸點自鎖,KM2主觸頭閉合將定子繞組接成三角形,電動機在△形接法下運行。
〈烜芯微/XXW〉專業制造二極管,三極管,MOS管,橋堆等,20年,工廠直銷省20%,上萬家電路電器生產企業選用,專業的工程師幫您穩定好每一批產品,如果您有遇到什么需要幫助解決的,可以直接聯系下方的聯系號碼或加QQ/微信,由我們的銷售經理給您精準的報價以及產品介紹
聯系號碼:18923864027(同微信)
QQ:709211280

