24v升壓電路圖(一)
基于串聯模式的24V轉75V升壓電源的設計
以PAF600F24-28電源模塊為核心,采用輸入并聯輸出串聯的方式,實現直流24V轉75V的電壓轉換。使用外接電位器可在一定范圍內調節輸出電壓,輸出電壓可以在-60%耀+10%標稱值的范圍內調整。
單個模塊的輸出電壓最高可調至28V伊110%=30.8V,最低輸出電壓可調至28V伊60%=16.8V。這樣三個模塊串聯使用時可以得到一個較寬的電壓輸出范圍:50.4V耀92.4V。
當三個模塊輸出均調至25V時即得到75V電壓。此時輸出電流為600衣25=24A。同時本升壓電源還具有啟動控制、電壓監控以及過流、過壓、過熱等一系列保護功能,確保電源工作安全可靠。
三模塊串聯工作原理圖如圖1所示。

圖1 模塊串聯升壓原理圖
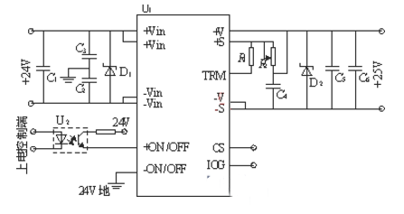
圖2為單個電源模塊的應用電路,輸入端電解電容C1為儲能電容,同時可以吸收模塊輸入端的電壓尖峰。C2、C3為共模濾波電容,采用2kV的高壓瓷片電容。D1為瞬態吸收二極管TVS,對電壓瞬變和沖擊起到防護抑制作用,可防止電源輸入端出現瞬態高壓尖峰將電源模塊損壞,TVS還具備靜電防護功能,對于確保模塊的工作安全意義重大。另外,配合保險管使用還可預防輸入端出現意外反接而損壞模塊。

24v升壓電路圖(二)
該圖中所示出的降壓-升壓型轉換器可調節24V的電壓,并以高達98.5%的效率提供0A至5A的負載電流。該器件可在一個12V至58V的輸入電壓范圍內運作。可調的欠壓和過壓閉鎖用于保護電路。
其具有短路保護功能,SHORT輸出標記將在輸出端上出現短路故障時發出指示信號。此器件在輕負載條件下執行DCM操作以實現最低的功耗,并擁有反向電流保護功能。ROUT負責在短路和過載情況下限制輸出電流,從而使之成為一種穩健的應用電路。

24v升壓電路圖(三)
LTC3788-1是一款高性能、兩相、雙通道、同步升壓型轉換器產品控制器,用于驅動全N溝道功率MOSFET。它所采用的同步整流提升了效率、減少功率損失、并降低散熱要求,從而使得LTC3788-1能夠在高功率升壓應用中使用。

24v升壓電路圖(四)
高效率、直流升壓穩壓電路GS3665。輸入電壓范圍可由最低5.0伏特到最高42伏特,輸出電壓5.0--42V可調整且輸出內部MOS開關電流高達5A,非常適合于車載筆記本供電,便攜DVD,工業控制供電,智能安防,網絡通訊等設備的電壓轉換。

GS3665應用電路非常簡單,外圍器件極少。并具有enablepin用于開關功能,其內部具有完整的系統保護功能包括可調式軟啟動(adjustablesoft-start)、短路保護(SCP)、過溫度保護(OTP)及可調式過電流保護(adjustableOCP)功能,切換頻率固定為400KHz。
24v升壓電路圖(五)
下圖是24V轉110VBOOST升壓電路。

〈烜芯微/XXW〉專業制造二極管,三極管,MOS管,橋堆等,20年,工廠直銷省20%,上萬家電路電器生產企業選用,專業的工程師幫您穩定好每一批產品,如果您有遇到什么需要幫助解決的,可以直接聯系下方的聯系號碼或加QQ/微信,由我們的銷售經理給您精準的報價以及產品介紹
聯系號碼:18923864027(同微信)
QQ:709211280

