什么是H橋?
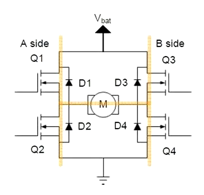
H橋是一個比較簡單的電路,通常它會包含四個獨立控制的開關元器件(例如MOSFET),它們通常用于驅動電流較大的負載,比如電機,至于為什么要叫H橋(HBridge),因為長得比較像字母H,具體如下圖所示;

從上圖中可以看到,其形狀類似于字母“H”,而作為負;載的直流電機是像“橋”一樣架在上面的;所以稱之為“H橋驅動”。4個開關所在位置就稱為“橋臂”。在電路中可以做電子開關的有三極管和MOS管。可以使用這兩種器件代替開關從而實現。
這里有四個開關元器件Q1,Q2,Q3,Q4,另外還有一個直流電機M,D1,D2,D3,D4是MOSFET的續流二極管;
開關狀態
下面以控制一個直流電機為例,對H橋的幾種開關狀態進行簡單的介紹,其中正轉和反轉是人為規定的方向,實際工程中按照實際情況進行劃分即可;
正轉
通常H橋用來驅動感性負載,這里我們來驅動一個直流電機;
打開Q1和Q4;
關閉Q2和Q3;
此時假設電機正轉,這電流依次經過Q1,M,Q4,在圖中使用黃色線段進行標注,具體如下圖所示;

正轉
反轉
另外一種狀態則是電機反轉;此時四個開關元器件的狀態如下;
關閉Q1和Q4;
打開Q2和Q3;
此時電機反轉(與前面介紹的情況相反),這電流依次經過Q2,M,Q3,在圖中使用黃色線段進行標注,具體如下圖所示;

反轉
調速
如果要對直流電機調速,其中的一種方案就是;
關閉Q2,Q3;
打開Q1,Q4上給它輸入50%占空比的PWM波形,這樣就達到了降低轉速的效果,如果需要增加轉速,則將輸入PWM的占空比設置為100%;

停止狀態
這里以電機從正轉切換到停止狀態為例;
正轉情況下;Q1和Q4是打開狀態;
這時候如果關閉Q1和Q4,直流電機內部可以等效成電感,也就是感性負載,電流不會突變,那么電流將繼續保持原來的方向進行流動,這時候我們希望電機里的電流可以快速衰減;
這里有兩種辦法:
第一種:關閉Q1和Q4,這時候電流仍然會通過反向續流二極管進行流動,此時短暫打開Q1和Q3從而達到快速衰減電流的目的;

第二種:準備停止的時候,關閉Q1,打開Q2,這時候電流并不會衰減地很快,電流循環在Q2,M,Q4之間流動,通過MOSFET的內阻將電能消耗掉;

〈烜芯微/XXW〉專業制造二極管,三極管,MOS管,橋堆等,20年,工廠直銷省20%,上萬家電路電器生產企業選用,專業的工程師幫您穩定好每一批產品,如果您有遇到什么需要幫助解決的,可以直接聯系下方的聯系號碼或加QQ/微信,由我們的銷售經理給您精準的報價以及產品介紹
聯系號碼:18923864027(同微信)
QQ:709211280

