60N06場效應管,60A 60V,60N06參數資料,60N06引腳圖,60N06中文資料規格書PDF

60N06/TO-220F參數封裝:點擊查看

60N06封裝有TO-220/TO-220F/TO-252
極性:NPN
Drain-Source Voltage 漏源電壓Vds:60V
Gate-Source Voltage 柵源電壓Vgs:±20V
Continuous Drain Current 漏極電流Id Tc=25℃:60A
Continuous Drain Current 漏極電流Id Tc=100℃:35.4A
Power Dissipation 功率損耗Pd:50W
Static Drain-Source On-Resistance 導通電阻ID=20A,VGS=10V:Typ 14mΩ Max 20mΩ
Junction and Storage Temperature Range 溫度范圍:-55~+150℃
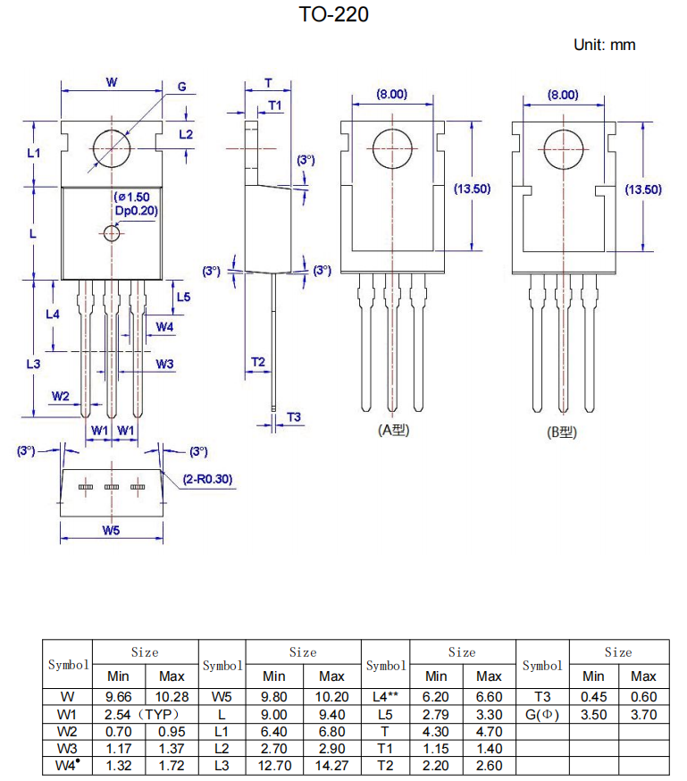
60N06場效應管/TO-220封裝尺寸:

60N06場效應管/TO-220F封裝尺寸:

60N06場效應管/TO-252封裝尺寸:

〈烜芯微/XXW〉專業制造二極管,三極管,MOS管,橋堆等,20年,工廠直銷省20%,上萬家電路電器生產企業選用,專業的工程師幫您穩定好每一批產品,如果您有遇到什么需要幫助解決的,可以直接聯系下方的聯系號碼或加QQ/微信,由我們的銷售經理給您精準的報價以及產品介紹
聯系號碼:18923864027(同微信)
QQ:709211280


