無線電遙控以其傳輸距離遠、抗干擾能力強、無方向性等優點,應用于許多領域。但因電器復雜,發送設備龐大,調試困難等原因,所以在民用領域一直受到限制,隨著電子技術的發展,這些問題都得到了解決,使之具有強大的生命力。
無線發射電路圖
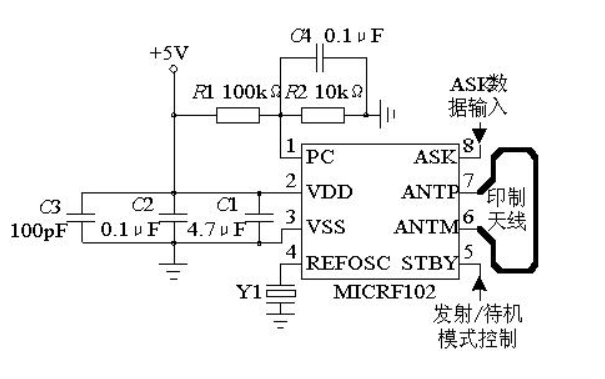
1.無線發射電路圖

無線發射電路原理
線發射電路如圖所示,電路以MICRF102為核心。MICRF102是Micrel公司推出的一個單片UHF ASK發射器,采用SOP(M)-8封裝,芯片內包含有:由基準振蕩器、相位檢波器、分頻器、帶通濾波器、壓控振蕩器構成的合成器,發射偏置控制,RF功率放大器,天線調諧控制和變容二極管等電路,是一個真正的“數據輸入-無線輸出”的單片無線發射器件。UHF合成器產生載頻和正交信號輸出。輸入相位信號(I)用來驅動RF功率放大器。天線調諧正交信號(Q)用來比較天線信號相位。天線調諧控制部分檢測天線通道中發射信號的相位和控制變容二極管的電容,以調諧天線,實現天線自動調諧。功率放大器輸出受發射偏置控制單元控制。ASK/OOK調制,提供低功耗模式,數據傳輸速率為20 kb/s.
使用中應注意的問題是:(1)REFOSC(引腳4)是基準振蕩端,連接晶振到地,或采用AC耦合方式輸入峰-峰值為0.5 V的時鐘脈沖。發射頻率是基準振蕩器頻率的32倍:基準振蕩頻率×32=發射頻率。如果使用外接時鐘信號,須采用AC耦合方式,輸入信號幅度峰-峰值為 200~500 mV.(2)MICRF102使用差分輸出去驅動天線負載。功率放大器輸出級包含有一個變容二極管,它自動與天線的電感調諧,以保證諧振在發射頻率上。典型的PCB導線天線的電感與回路的尺寸、天線導線的寬度、PCB銅泊的厚度和接地板的位置有關。設計時一般選擇變容二極管的電容值為6.5 pF.天線電感L由公式L=1/(4π2f2C)計算。(3)功率放大器的輸出功率與PC端(引腳1)上的電壓有關。正常工作時,該引腳端上的電壓被設置在0.2~0.4 V之間。PC端上的電壓上升,輸出功率加大;但是,如果PC端上的電壓超過0.4 V,功率放大器被限流,輸出功率不再增加。減少PC端的電壓可降低電源功率消耗,同時也會減少RF輸出功率。(4)STBY端(引腳5)是待機模式控制。接VDD為發射方式,接VSS為待機模式。(5)MICRF102芯片對電源紋波敏感,正確地電源旁路是必需的,一般使用4.7μF、 0.1μF、100 pF 3個電容并聯在VDD和VSS之間。
無線發射電路應用
無線數據傳輸廣泛地運用在車輛監控、遙控、遙測、小型無線網絡、無線抄表、門禁系統、小區傳呼、工業數據采集系統、無線標簽、身份識別、非接觸RF智能卡、小型無線數據終端、安全防火系統、無線遙控系統、生物信號采集、水文氣象監控、機器人控制、無線232數據通信、無線485/422數據通信、數字音頻、數字圖像傳輸等領域中。
烜芯微專業制造二極管,三極管,MOS管,橋堆等20年,工廠直銷省20%,4000家電路電器生產企業選用,專業的工程師幫您穩定好每一批產品,如果您有遇到什么需要幫助解決的,可以點擊右邊的工程師,或者點擊銷售經理給您精準的報價以及產品介紹
烜芯微專業制造二極管,三極管,MOS管,橋堆等20年,工廠直銷省20%,4000家電路電器生產企業選用,專業的工程師幫您穩定好每一批產品,如果您有遇到什么需要幫助解決的,可以點擊右邊的工程師,或者點擊銷售經理給您精準的報價以及產品介紹

