1.5V升3V的升壓芯片,3V給LED供電,或者單片機模塊供電等。
PW5200A工作頻率為1.4MHZ。輕載時自動PWM/PFM模式切換,提高效率。
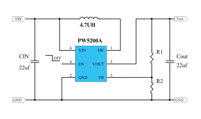
PW5200A能夠提供2.5V和5V之間的可調輸出電壓,內部同步整流開關,節省了肖特基的情況下提高了效率。PW5200A的輸入電壓是1V-4.4V之間,適合1-2節干電池或者鋰電池輸入。
PW5100是同步升壓芯片,輸入電壓范圍0.7V-5.5V,輸出電壓固定3.3V,3V,5V等。超低功耗升壓芯片

烜芯微專業制造二極管,三極管,MOS管,橋堆等20年,工廠直銷省20%,4000家電路電器生產企業選用,專業的工程師幫您穩定好每一批產品,如果您有遇到什么需要幫助解決的,可以點擊右邊的工程師,或者點擊銷售經理給您精準的報價以及產品介紹

烜芯微專業制造二極管,三極管,MOS管,橋堆等20年,工廠直銷省20%,4000家電路電器生產企業選用,專業的工程師幫您穩定好每一批產品,如果您有遇到什么需要幫助解決的,可以點擊右邊的工程師,或者點擊銷售經理給您精準的報價以及產品介紹

