幾種基本類型的開關電源
顧名思義,開關電源就是利用電子開關器件(如晶體管、場效應管、可控硅閘流管等),通過控制電路,使電子開關器件不停地“接通”和“關斷”,讓電子開關器件對輸入電壓進行脈沖調制,從而實現DC/AC、DC/DC電壓變換,以及輸出電壓可調和自動穩壓。
開關電源一般有三種工作模式:頻率、脈沖寬度固定模式,頻率固定、脈沖寬度可變模式,頻率、脈沖寬度可變模式。前一種工作模式多用于DC/AC逆變電源,或DC/DC電壓變換;后兩種工作模式多用于開關穩壓電源。另外,開關電源輸出電壓也有三種工作方式:直接輸出電壓方式、平均值輸出電壓方式、幅值輸出電壓方式。同樣,前一種工作方式多用于DC/AC逆變電源,或DC/DC電壓變換;后兩種工作方式多用于開關穩壓電源。
根據開關器件在電路中連接的方式,目前比較廣泛使用的開關電源,大體上可分為:串聯式開關電源、并聯式開關電源、變壓器式開關電源等三大類。其中,變壓器式開關電源(后面簡稱變壓器開關電源)還可以進一步分成:推挽式、半橋式、全橋式等多種;根據變壓器的激勵和輸出電壓的相位,又可以分成:正激式、反激式、單激式和雙激式等多種;如果從用途上來分,還可以分成更多種類。
下面我們先對串聯式、并聯式、變壓器式等三種最基本的開關電源工作原理進行簡單介紹,其它種類的開關電源也將逐步進行詳細分析。
串聯式開關電源
串聯式開關電源的工作原理
圖1-1-a是串聯式開關電源的最簡單工作原理圖,圖1-1-a中Ui是開關電源的工作電壓,即:直流輸入電壓;K是控制開關,R是負載。當控制開關K接通的時候,開關電源就向負載R輸出一個脈沖寬度為Ton,幅度為Ui的脈沖電壓Up;當控制開關K關斷的時候,又相當于開關電源向負載R輸出一個脈沖寬度為Toff,幅度為0的脈沖電壓。這樣,控制開關K不停地“接通”和“關斷”,在負載兩端就可以得到一個脈沖調制的輸出電壓uo 。
圖1-1-b是串聯式開關電源輸出電壓的波形,由圖中看出,控制開關K輸出電壓uo是一個脈沖調制方波,脈沖幅度Up等于輸入電壓Ui,脈沖寬度等于控制開關K的接通時間Ton,由此可求得串聯式開關電源輸出電壓uo的平均值Ua為:


串聯式開關電源輸出電壓的波形圖
式中Ton為控制開關K接通的時間,T為控制開關K的工作周期。改變控制開關K接通時間Ton與關斷時間Toff的比例,就可以改變輸出電壓uo的平均值Ua 。一般人們都把 稱為占空比(Duty),用D來表示,即:


占空比計算式
串聯式開關電源輸出電壓uo的幅值Up等于輸入電壓Ui,其輸出電壓uo的平均值Ua總是小于輸入電壓Ui,因此,串聯式開關電源一般都是以平均值Ua為變量輸出電壓。所以,串聯式開關電源屬于降壓型開關電源。
串聯式開關電源也有人稱它為斬波器,由于它工作原理簡單,工作效率很高,因此其在輸出功率控制方面應用很廣。例如,電動摩托車速度控制器以及燈光亮度控制器等,都是屬于串聯式開關電源的應用。如果串聯式開關電源只單純用于功率輸出控制,電壓輸出可以不用接整流濾波電路,而直接給負載提供功率輸出;但如果用于穩壓輸出,則必須要經過整流濾波。
串聯式開關電源的缺點是輸入與輸出共用一個地,因此,容易產生EMI干擾和底板帶電,當輸入電壓為市電整流輸出電壓的時候,容易引起觸電,對人身不安全。
串聯式開關電源輸出電壓濾波電路
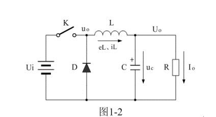
大多數開關電源輸出都是直流電壓,因此,一般開關電源的輸出電路都帶有整流濾波電路。圖1-2是帶有整流濾波功能的串聯式開關電源工作原理圖。


帶有整流濾波功能的串聯式開關電源工作原理圖
圖1-2是在圖1-1-a電路的基礎上,增加了一個整流二極管和一個LC濾波電路。其中L是儲能濾波電感,它的作用是在控制開關K接通期間Ton限制大電流通過,防止輸入電壓Ui直接加到負載R上,對負載R進行電壓沖擊,同時對流過電感的電流iL轉化成磁能進行能量存儲,然后在控制開關K關斷期間Toff把磁能轉化成電流iL繼續向負載R提供能量輸出;C是儲能濾波電容,它的作用是在控制開關K接通期間Ton把流過儲能電感L的部分電流轉化成電荷進行存儲,然后在控制開關K關斷期間Toff把電荷轉化成電流繼續向負載R提供能量輸出;D是整流二極管,主要功能是續流作用,故稱它為續流二極管,其作用是在控制開關關斷期間Toff,給儲能濾波電感L釋放能量提供電流通路。
在控制開關關斷期間Toff,儲能電感L將產生反電動勢,流過儲能電感L的電流iL由反電動勢eL的正極流出,通過負載R,再經過續流二極管D的正極,然后從續流二極管D的負極流出,最后回到反電動勢eL的負極。
對于圖1-2,如果不看控制開關K和輸入電壓Ui,它是一個典型的反 型濾波電路,它的作用是把脈動直流電壓通過平滑濾波輸出其平均值。
圖1-3、圖1-4、圖1-5分別是控制開關K的占空比D等于0.5、 0.5、> 0.5時,圖1-2電路中幾個關鍵點的電壓和電流波形。圖1-3-a)、圖1-4-a)、圖1-5-a)分別為控制開關K輸出電壓uo的波形;圖1-3-b)、圖1-4-b)、圖1-5-b)分別為儲能濾波電容兩端電壓uc的波形;圖1-3-c)、圖1-4-c)、圖1-5-c)分別為流過儲能電感L電流iL的波形。


波形圖


波形圖
在Ton期間,控制開關K接通,輸入電壓Ui通過控制開關K輸出電壓uo,然后加到儲能濾波電感L和儲能濾波電容C組成的濾波電路上,在此期間儲能濾波電感L兩端的電壓eL為:


計算式
式中:Ui輸入電壓,Uo為直流輸出電壓,即:電容兩端的電壓uc的平均值。
在此順便說明:由于電容兩端的電壓變化量ΔU相對于輸出電壓Uo來說非常小,為了簡單,我們這里把Uo當成常量來處理。在某種情況下,如需要對電容的初次充、放電過程進行分析時,必須需要建立微分方程,并求解。因為輸出電壓Uo的建立需要一定的時間,精確計算得出的結果中一般都含有指數函數項,當令時間變量等于無窮大時,即電路進入穩態時,再對相關參量取平均值,其結果就基本與(1-4)相等。
對(1-4)式進行積分得:


計算式


上面計算都是假設輸出電壓Uo基本不變的情況得到的結果,在實際應用電路中也正好是這樣,輸出電壓Uo的電壓紋波非常小,只有輸出電壓的百分之幾,工程計算中完全可以忽略不計。
從(1-4)式到(1-11)和圖1-3、圖1-4、圖1-5中可以看出:
當開關電源工作于臨界連續電流或連續電流狀態時,在K接通和關斷的整個周期內,儲能電感L都有電流流出,但在K接通期間與K關斷期間,流過儲能電感L的電流的上升率(絕對值)一般是不一樣的。在K接通期間,流過儲能電感L的電流上升率為: ;在K關斷期間,流過儲能電感L的電流上升率為: 。因此:
(1)當Ui = 2Uo時,即濾波輸出電壓Uo等于電源輸入電壓Ui的一半時,或控制開關K的占空比D為二分之一時,流過儲能電感L的電流上升率,在K接通期間與K關斷期間絕對值完全相等,即電感存儲能量的速度與釋放能量的速度完全相等。此時,(1-5)式中i(0)和(1-11)式中iLX均等于0。在這種情況下,流過儲能電感L的電流iL為臨界連續電流,且濾波輸出電壓Uo等于濾波輸入電壓uo的平均值Ua。參看圖1-3。
(2)當Ui > 2Uo時,即:濾波輸出電壓Uo小于電源輸入電壓Ui的一半時,或控制開關K的占空比小于二分之一時:雖然在K接通期間,流過儲能電感L的電流上升率(絕對值),大于,在K關斷期間,流過儲能電感L的電流上升率(絕對值);但由于(1-5)式中i(0)等于0,以及Ton小于Toff,此時,(1-11)式中的iLX會出現負值,即輸出電壓反過來要對電感充電,但由于整流二極管D的存在,這是不可能的,這表示流過儲能電感L的電流提前過0,即有斷流。在這種情況下,流過儲能電感L的電流iL不是連續電流,開關電源工作于電流不連續狀態,因此,輸出電壓Uo的紋波比較大,且濾波輸出電壓Uo小于濾波輸入電壓uo的平均值Ua。參看圖1-4。
(3)當Ui 2Uo時,即:濾波輸出電壓Uo大于電源輸入電壓Ui的一半時,或控制開關K的占空比大于二分之一時:在K接通期間,雖然流過儲能電感L的電流上升率(絕對值),小于,在K關斷期間,流過儲能電感L的電流上升率(絕對值)。但由于Ton大于Toff,(1-5)式中i(0)和(1-11)式中iLX均大于0,即:電感存儲能量每次均釋放不完。在這種情況下,流過儲能電感L的電流iL是連續電流,開關電源工作于連續電流狀態,輸出電壓Uo的紋波比較小,且濾波輸出電壓Uo大于濾波輸入電壓uo的平均值Ua。參看圖1-5。
串聯式開關電源儲能濾波電感的計算
從上面分析可知,串聯式開關電源輸出電壓Uo與控制開關的占空比D有關,還與儲能電感L的大小有關,因為儲能電感L決定電流的上升率(di/dt),即輸出電流的大小。因此,正確選擇儲能電感的參數相當重要。
串聯式開關電源最好工作于臨界連續電流狀態,或連續電流狀態。串聯式開關電源工作于臨界連續電流狀態時,濾波輸出電壓Uo正好是濾波輸入電壓uo的平均值Ua,此時,開關電源輸出電壓的調整率為最好,且輸出電壓Uo的紋波也不大。因此,我們可以從臨界連續電流狀態著手進行分析。我們先看(1-6)式:


計算式
(1-13)和(1-14)式,就是計算串聯式開關電源儲能濾波電感L的公式(D = 0.5時)。(1-13)和(1-14)式的計算結果,只給出了計算串聯式開關電源儲能濾波電感L的中間值,或平均值,對于極端情況可以在平均值的計算結果上再乘以一個大于1的系數。
如果增大儲能濾波電感L的電感量,濾波輸出電壓Uo將小于濾波輸入電壓uo的平均值Ua,因此,在保證濾波輸出電壓Uo為一定值的情況下,勢必要增大控制開關K的占空比D,以保持輸出電壓Uo的穩定;而控制開關K的占空比D增大,又將會使流過儲能濾波電感L的電流iL不連續的時間縮短,或由電流不連續變成電流連續,從而使輸出電壓Uo的電壓紋波ΔUP-P進一步會減小,輸出電壓更穩定。
如果儲能濾波電感L的值小于(1-13)式的值,串聯式開關電源濾波輸出的電壓Uo將大于濾波輸入電壓uo的平均值Ua,在保證濾波輸出電壓Uo為一定值的情況下,勢必要減小控制開關K的占空比D,以保持輸出電壓Uo的值不變;控制開關K的占空比D減小,將會使流過濾波電感L的電流iL出現不連續,從而使輸出電壓Uo的電壓紋波ΔUP-P增大,造成輸出電壓不穩定。
由此可知,調整串聯式開關電源濾波輸出電壓Uo的大小,實際上就是同時調整流過濾波電感L和控制開關K占空比D的大小。
由圖1-4可以看出:當控制開關K的占空比D小于0.5時,流過濾波電感L的電流iL出現不連續,輸出電流Io小于流過濾波電感L最大電流iLm的二分之一,濾波輸出電壓Uo的電壓紋波ΔUP-P將顯著增大。因此,串聯式開關電源最好不要工作于圖1-4的電流不連續狀態,而最好工作于圖1-3和圖1-5表示的臨界連續電流和連續電流狀態。
串聯式開關電源工作于臨界連續電流狀態,輸出電壓Uo等于輸入電壓Ui的二分之一,等于濾波輸入電壓uo的平均值Ua;且輸出電流Io也等于流過濾波電感L最大電流iLm的二分之一。
串聯式開關電源工作于連續電流狀態,輸出電壓Uo大于輸入電壓Ui的二分之一,大于濾波輸入電壓uo的平均值Ua;且輸出電流Io也大于流過濾波電感L最大電流iLm的二分之一。
串聯式開關電源儲能濾波電容的計算
我們同樣從流過儲能電感的電流為臨界連續電流狀態著手,對儲能濾波電容C的充、放電過程進行分析,然后再對儲能濾波電容C的數值進行計算。
圖1-6是串聯式開關電源工作于臨界連續電流狀態時,串聯式開關電源電路中各點電壓和電流的波形。圖1-6中,Ui為電源的輸入電壓,uo為控制開關K的輸出電壓,Uo為電源濾波輸出電壓,iL為流過儲能濾波電感電流,Io為流過負載的電流。圖1-6-a)是控制開關K輸出電壓的波形;圖1-6-b)是儲能濾波電容C的充、放電曲線圖;圖1-6-c)是流過儲能濾波電感電流iL的波形。當串聯式開關電源工作于臨界連續電流狀態時,控制開關K的占空比D等于0.5,流過負載的電流Io等于流過儲能濾波電感最大電流iLm的二分之一。
在Ton期間,控制開關K接通,輸入電壓Ui通過控制開關K輸出電壓uo ,在輸出電壓uo作用下,流過儲能濾波電感L的電流開始增大。當作用時間t大于二分之一Ton的時候,流過儲能濾波電感L的電流iL開始大于流過負載的電流Io ,所以流過儲能濾波電感L的電流iL有一部分開始對儲能濾波電容C進行充電,儲能濾波電容C兩端電壓開始上升。
當作用時間t等于Ton的時候,流過儲能濾波電感L的電流iL為最大,但儲能濾波電容C的兩端電壓并沒有達到最大值,此時,儲能濾波電容C的兩端電壓還在繼續上升,因為,流過儲能濾波電感L的電流iL還大于流過負載的電流Io ;當作用時間t等于二分之一Toff的時候,流過儲能濾波電感L的電流iL正好等于負載電流Io,儲能濾波電容C的兩端電壓達到最大值,電容停止充電,并開始從充電轉為放電。


儲能濾波電容進行放電時,電容兩端電壓是按指數曲線的速率變化
可以證明,儲能濾波電容進行充電時,電容兩端電壓是按正弦曲線的速率變化,而儲能濾波電容進行放電時,電容兩端電壓是按指數曲線的速率變化,這一點后面還要詳細說明,請參考后面圖1-23、圖1-24、圖1-25的詳細分析。
圖1-6中,電容兩端的充放電曲線是有意把它的曲率放大了的,實際上它們的變化曲率并沒有那么大。因為儲能濾波電感L和儲能濾波電容構成的時間常數相對于控制開關的接通或關斷時間來說非常大(正弦曲線的周期:T = ),即:由儲能濾波電感L和儲能濾波電容組成諧振回路的諧振頻率,相對于開關電源的工作頻率來說,非常低,而電容兩端的充放電曲線變化范圍只相當于正弦曲線零點幾度的變化范圍,因此,電容兩端的充、放電曲線基本上可以看成是直線,這相當于用曲率的平均值取代曲線曲率。同理,圖1-3、圖1-4、圖1-5中儲能濾波電容C的兩端電壓都可以看成是按直線變化的電壓,或稱為電壓或電流鋸齒波。
實際應用中,一般都是利用平均值的概念來計算儲能濾波電容C的數值。值得注意的是:濾波電容C進行充、放電的電流ic的平均值Ia正好等于流過負載的電流Io,因為,在D等于0.5的情況下,電容充、放電的時間相等,只要電容兩端電壓的平均值不變,其充、放電的電流必然相等,并等于流過負載的電流Io。
濾波電容C的計算方法如下:
由圖1-6可以看出,在控制開關的占空比D等于0.5的情況下,電容器充、放電的電荷和充、放電的時間,以及正、負電壓紋波值均應該相等,并且電容器充電流的平均值也正好等于流過負載的電流。因此,電容器充時,電容器存儲的電荷ΔQ為:


計算式
(1-17)和(1-18)式,就是計算串聯式開關電源儲能濾波電容的公式(D = 0.5時)。式中:Io是流過負載的電流,T為控制開關K的工作周期,ΔUP-P為輸出電壓的波紋。電壓波紋ΔUP-P一般都取峰-峰值,所以電壓波紋正好等于電容器充電或放電時的電壓增量,即:ΔUP-P = 2ΔUc 。
順便說明,由于人們習慣上都是以輸出電壓的平均值為水平線,把電壓紋波分成正負兩部分,所以這里遵照習慣也把電容器充電或放電時的電壓增量分成兩部分,即:2ΔUc。
同理,(1-17)和(1-18)式的計算結果,只給出了計算串聯式開關電源儲能濾波電容C的中間值,或平均值,對于極端情況可以在平均值的計算結果上再乘以一個大于1的系數。
當儲能濾波電容的值小于(1-17)式的值時,串聯式開關電源濾波輸出電壓Uo的電壓紋波ΔUP-P會增大,并且當開關K工作的占空比D小于0.5時,由于流過儲能濾波電感L的電流iL出現不連續,電容器放電的時間大于電容器充電的時間,因此,開關電源濾波輸出電壓Uo的電壓紋波ΔUP-P將顯著增大。因此,最好按(1-17)式計算結果的2倍以上來選取儲能濾波電容的參數。
烜芯微專業制造二極管,三極管,MOS管,橋堆等20年,工廠直銷省20%,4000家電路電器生產企業選用,專業的工程師幫您穩定好每一批產品,如果您有遇到什么需要幫助解決的,可以點擊右邊的工程師,或者點擊銷售經理給您精準的報價以及產品介紹
烜芯微專業制造二極管,三極管,MOS管,橋堆等20年,工廠直銷省20%,4000家電路電器生產企業選用,專業的工程師幫您穩定好每一批產品,如果您有遇到什么需要幫助解決的,可以點擊右邊的工程師,或者點擊銷售經理給您精準的報價以及產品介紹

