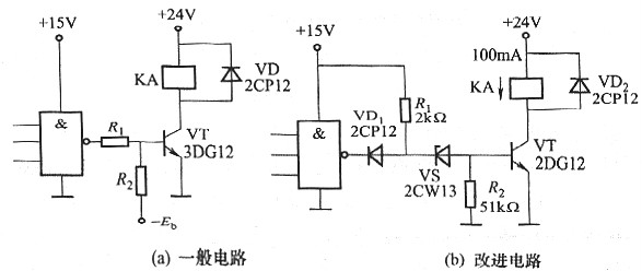
假如CMOS電路的負載(執行元件)是繼電器,則電路必需具有較大的帶負載才能。圖7-6所示為非門驅動一個分立元件的開關放大器件的接口電路。
圖7-6(a)、(b)中三極管的集電極負載為繼電器KA線圈。其工作電流為lOOmA。若晶體管的β=25,則需求4mA的基極電流。這對與非門來說是個拉電流負載。如與非門不能提供這樣大的拉電流,可采用圖7-6(b)所示的電路。由電阻Ri、二極管VD1和穩壓管Vs組成變換電路。當與非門輸出高電平常,VD1截止。VS擊穿,晶體管VT的基極電流由+15V電源經R1、VS和V1的發射結來提供,VT導通,繼電器KA吸合。當與非門輸出低電1平常,灌電流經+15V電源經R1、VDi流入與非門,這個電流只要幾毫安,這樣可防止岡拉電流過大而惹起輸出高電平的降落。這時VS截止,VT截止,KA釋放。




在圖7—6(a)所示電路中,R2普通可取4.7~10kΩ,簡化時也可不用。R1的選取應使晶體管取得足夠的基極電流而到達飽和。設繼電器KA的工作電流為Ic=50mA,晶體管的β=30,而普通CMOS輸出高電平Uoh =2. 7~4. 2V,則


式中 Ube一——管的正向壓降, 普通取o.65-0. 75V。
關于圖7-6(c)所示電路,由三極管VT1, VT2組成達林頓電路。其放大倍數β=β1β2(β1、β2分別為VT1和VT2的放大倍數),VT1所需求的基極電流為


電阻R1、R2可按下式選取:

烜芯微專業制造二極管,三極管,MOS管,20年,工廠直銷省20%,1500家電路電器生產企業選用,專業的工程師幫您穩定好每一批產品,如果您有遇到什么需要幫助解決的,可以點擊右邊的工程師,或者點擊銷售經理給您精準的報價以及產品介紹

