12V鋰電池保護板,16串磷酸鐵鋰電池保護板,18650電池維護板,線路板廠在雙面線路板設計時都會優先思索鋰電池保護板工作原理,電池之都帶大家看一個單節電芯的鋰電池保護板原理,希望能起到觸類旁通的作用。
鋰電池保護板依據運用IC,電壓等不同而電路及參數有所不同,下面以DW01配MOS管8810A停止散布,其中包括其鋰電池保護板的正常工作行為。
鋰電池保護板工作原理
當電芯電壓在2.5V至4.3V之間時,DW01 的第1腳、第3腳均輸出高電平(等于供電電壓),第二腳電壓為0V。此時DW01 的第1腳 、第3腳電壓將分別加到8810的第5、4腳,8810內的兩個電子開關因其G極接到來自DW01 的電壓,故均處于導通狀態,即兩個電子開關均處于開狀態。此時電芯的負極與維護板的P-端相當于直接連通,維護板有電壓輸出。


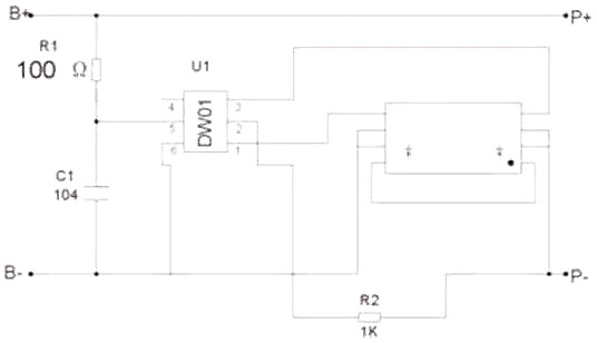
12V鋰電池保護板電路圖
保護板過放電保護控制原理
當電芯經過外接的負載停止放電時,電芯的電壓將漸漸降低,同時DW01內部將經過R1電阻實時監測電芯電壓,當電芯電壓降落到約2.3V時DW01將以為電芯電壓已處于過放電電壓狀態,便立刻斷開第1腳的輸出電壓,使第1腳電壓變為0V,8810內的開關管因第5腳無電壓而關閉。此時電芯的B-與維護板的P-之間處于斷開狀態。即電芯的放電回路被切斷,電芯將中止放電。保護板處于過放電狀態并不斷堅持。等到保護板的P與P-間接上充電電壓后,DW01經B-檢測到充電電壓后便立刻中止過放電狀態,重新在第1腳輸出高電壓,使8810內的過放電控制管導通,即電芯的B-與維護板的P-又重新接上,電芯經充電器直接充電。
保護板過充電保護控制原理
當電池經過充電器正常充電時,隨著充電時間的增加,電芯的電壓將越來越高,當電芯電壓升高到4.4V時,DW01將以為電芯電壓已處于過充電電壓狀態,便立刻斷開第3腳的輸出電壓,使第3腳電壓變為0V,8810內的開關管因第4腳無電壓而關閉。此時電芯的B-與維護板的P-之間處于斷開狀態。即電芯的充電回路被切斷,電芯將中止充電。保護板處于過充電狀態并不斷堅持。等到保護板的P與P-間接上放電負載后,因而時固然過充電控制開關管關閉,但其內部的二極管正方向與放電回路的方向相同,故放電回路能夠停止放電,當電芯的電壓被放到低于4.3V時,DW01中止過充電維護狀態重新在第3腳輸出高電壓,使8810內的過充電控制管導通,即電芯的B-與維護板P-又重新接上,電芯又能停止正常的充放電。
保護板短路保護控制原理
在保護板對外放電的過程中,8810內的兩個電子開關并不完整等效于兩個機械開關,而是等效于兩個電阻很小的電阻,并稱為8810的導通內阻,每個開關的導通內阻約為30mU03a9共約為60mU03a9,加在G極上的電壓實踐上是直接控制每個開關管的導通電阻的大小當G極電壓大于1V時,開關管的導通內阻很小(幾十毫歐),相當于開關閉合,當G極電壓小于0.7V以下時,開關管的導通內阻很大(幾MΩ),相當于開關斷開。電壓UA就是8810的導通內阻與放電電流產生的電壓,負載電流增大則UA必然增大,因UA0.006L&TImes;IUA又稱為8205A的管壓降,UA能夠簡接標明放電電流的大小。上升到0.2V時便以為負載電流抵達了極限值,于是中止第1腳的輸出電壓,使第1腳電壓變為0V、8810內的放電控制管關閉,切斷電芯的放電回路,將關斷放電控制管。換言之DW01 允許輸出的最大電流是3.3A,完成了過電流保護。


12V鋰電池保護板電路圖
鋰電池保護板過電流保護
電池在對負載正常放電過程中,放電電流在經過串聯的2個MOSFET時,由于MOSFET的導通阻抗,會在其兩端產生一個電壓,該電壓值U=I*RDS*2,RDS為單個MOSFET導通阻抗,控制IC上的“V-”腳對該電壓值停止檢測,若負載因某種緣由招致異常,使回路電流增大,當回路電流大到使U》0.1V(該值由控制IC決議,不同的IC有不同的值)時,其“DO”腳將由高電壓轉變為零電壓,使T2由導通轉為關斷,從而切斷了放電回路,使回路中電流為零,起到過電流維護作用。
發如今控制IC檢測到過電流發作至發出關斷T2信號之間,也有一段延時時間,該延時時間的長短由C2決議,通常為13毫秒左右,以防止因干擾而形成誤判別。在上述控制過程中可知,其過電流檢測值大小不只取決于控制IC的控制值,還取決于MOSFET的導通阻抗,當MOSFET導通阻抗越大時,對同樣的控制IC,其過電流維護值越小。
短路保護控制過程短路保護是過電流保護的一種極限方式,其控制過程及原理與過電流保護一樣,短路只是在相當于在P-間加上一個阻值小的電阻(約為0Ω)使保護板的負載電流瞬時到達10A以上,維護板立刻停止過電流保護。
鋰電池充電電路原理及應用
鋰離子電池以其優秀的特性,被普遍應用于: 手機、攝錄像機、筆記本電腦、無繩電話、電開工具、遙控或電動玩具、照相機等便攜式電子設備中。
鋰離子電池的負極為石墨晶體,正極通常為二氧化鋰。充電時鋰離子由正極向負極運動而嵌入石墨層中。放電時,鋰離子從石墨晶體內負極外表脫離移向正極。所以,在該電池充放電過程中鋰總是以鋰離子形態呈現,而不是以金屬鋰的形態呈現。因此這種電池叫做鋰離子電池,簡稱鋰電池。
鋰電池具有:體積小、容量大、重量輕、無污染、單節電壓高、自放電率低、電池循環次數多等優點,但價錢較貴。鎳鎘電池因容量低,自放電嚴重,且對環境有污染,正逐漸被淘汰。鎳氫電池具有較高的性能價錢比,且不污染環境,但單體電壓只要1.2V,因此在運用范圍上遭到限制。
烜芯微專業制造二三極管,MOS管,20年,工廠直銷省20%,1500家電路電器生產企業選用,專業的工程師幫您穩定好每一批產品,如果您有遇到什么需要幫助解決的,可以點擊右邊的工程師,或者點擊銷售經理給您精準的報價以及產品介紹
烜芯微專業制造二三極管,MOS管,20年,工廠直銷省20%,1500家電路電器生產企業選用,專業的工程師幫您穩定好每一批產品,如果您有遇到什么需要幫助解決的,可以點擊右邊的工程師,或者點擊銷售經理給您精準的報價以及產品介紹

